Advanced systems can simplify complex materials characterisation, says Dr. Anna Prokhodtseva, Product Marketing Manager at Thermo Fisher Scientific. She explains how automated microscopy technology can help industrial teams keep pace.
Advanced materials, such as multiphase alloys and layered composites, are constantly being engineered to meet performance, weight and durability goals in manufacturing.
However, implementing these materials requires characterising them in high resolution to understand their properties and behaviour.
This forces materials engineers and quality control professionals to familiarise themselves with several specialised instruments to glean meaningful insights.
Across many sectors, materials are becoming more complex. For example, nanostructured coatings are now standard in many applications. For all their performance advantages, such as improved strength or durability, these materials are challenging to analyse because of their intricate micro- and nanoscale features.
Researchers must record specific information about the internal structures and interfaces of these materials to assess how they will perform in their intended applications. However, obtaining thorough, high-resolution material characterisation is a laborious, technically challenging and variable process.
This is not helped by a growing skills gap. UK manufacturers continue to face challenges hiring skilled workers, with 75 per cent recording skills shortages as one of their top three obstacles to growth, according to a report from Barclays Corporate and The Manufacturer.
Plus, a 2024 paper published by the International Monetary Fund noted that advanced manufacturing is among the sectors with the greatest skills gap increase.
Because of this skills deficit, many quality control and failure analysis teams lack the in-house expertise to operate advanced characterisation equipment, like focused ion beam (FIB) and scanning electron microscopes (SEM). These are required to reveal subsurface structures and generate high-resolution cross sections. However, due to the shortage of skilled operators, they are generally considered too complex or specialist for routine use in industry.
Bridging the skills gap
Thermo Scientific Scios 3 FIB-SEM is one such instrument developed to help combat these challenges. It is designed for high-throughput, precise materials analysis, combining FIB and SEM technologies into one integrated system, and includes advanced automation features making it significantly more accessible to those with limited microscopy experience.
Automating analysis: a case study
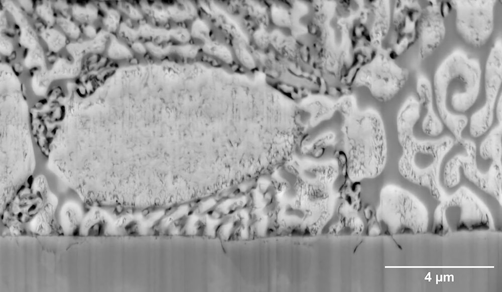
The automotive industry frequently uses zinc-based coatings to prevent corrosion on steel parts. It is difficult to conduct a thorough analysis of these coatings due to their intricate microstructures, which include fine intermetallic layers and several alloy phases.
Cross sections of these coatings traditionally require significant manual labour and skilled operators to prepare and image. This procedure can now be substantially automated with systems such as the Scios 3 FIB-SEM and Auto Cross Section (AXS) software. Users can designate areas of interest and instruct the system to mill and image these successively without constant supervision, automatically creating and imaging cross sections at multiple sites on a sample. As well as reducing the strain on operators, this automation improves consistency across samples and speeds up the overall workflow.
This is especially helpful when analysing zinc-based coatings because the feature sizes vary significantly, ranging from large primary zinc dendrites that are over 100 µm in diameter to much finer eutectic phase structures of around 100 nm.
In this application and many others, automated microscopy systems with integrated FIB-SEM capabilities can go a long way in helping close the manufacturing industry’s skills gap. They make advanced materials characterisation more accessible, even for industrial teams lacking specialised knowledge, by simplifying complex processes and producing precise, repeatable results.









